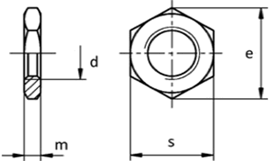
| d | M 8 | M 10 | M 12 | M 14 | M 16 | M 18 | M 20 | M 22 | M 24 | | P (pitch) | 1,25 (1) | 1,5 (1) (1,25) | 1,75 -1,25 (1,5) | 2 (1,5) | 2 (1,5) | 2,5 2 (1,5) (2) | 2,5 2 (1,5) (2) | 2,5 2 (1,5) (2) | 3 (1,5) (2) | | m | 5 | 6 | 7 | 8 | 8 | 9 | 9 | 10 | 10 | | s | 13 | 17 | 19 | 22 | 24 | 27 | 30 | 32 | 36 | | e (min) | 14,38 | 18,9 | 21,1 | 24,49 | 26,75 | 29,56 | 32,95 | 35,03 | 39,55 |
|
| d | M 27 | M 30 | M 33 | M 36 | M 39 | M 42 | M 45 | M 48 | M 52 | | P (pitch) | 3 (1,5) (2) | 3,5 (1,5)(2) | 3,5 (1,5) (2) | 4 (1,5) (2) (3) | 4 (1,5) (2) (3) | 4,5 (1,5) (2) (3) | 4,5 (1,5) (2) (3) | 5 (1,5) (2) (3) | 5 (1,5) (2) (3) | | m | 12 | 12 | 14 | 14 | 16 | 16 | 18 | 18 | 20 | | s | 41 | 46 | 50 | 55 | 60 | 65 | 70 | 75 | 80 | | e (min) | 45,2 | 50,85 | 55,37 | 60,79 | 66,44 | 71,3 | 76,95 | 82,6 | 88,25 |
|